Ac Vs Kipas Angin

Ac Vs Kipas Angin.

Jual Kipas Angin 9 9 cm CENTRAL AC 220V Pendingin Cooler ...
Jual Kipas Angin 9 9 cm CENTRAL AC 220V Pendingin Cooler … (Cornelia Hopkins)

4 Langkah untuk Menjadikan Kipas Angin AC Lebih Bersih dan …

Sewa Kipas Angin Air DI Cinere Tangerang Selatan – Sewa …

Memperbaiki Kipas Angin dengan minyak Angin ~ THE SOUL OF …

Benarkah Menggunakan Kipas Angin Lebih Baik daripada AC …

Kipas Angin Model Ac Merk Mt Edma Terbaru | Instrument …

Jual New AC MINI USB PORTABLE DOUBLE BLOWER KIPAS ANGIN AC …

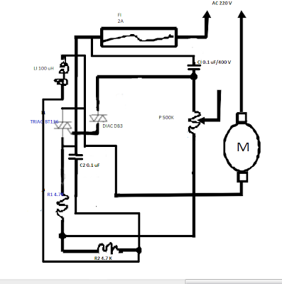
tri jaya elektro: Rangkaian kontrol kipas angin ac 220 V

Kipas angin smart pake remot seperti ac – YouTube

Ac Seperti Kipas Angin – TENTANG AC

Comments

Tinggalkan Balasan

Alamat email Anda tidak akan dipublikasikan. Ruas yang wajib ditandai *